关于我们
|
联系我们
|
EN
欢迎来到中山安禾电子实业有限公司
全国服务热线:
0760-23822781
首页
关于我们
安禾优势
企业文化
产品中心
吸收电容
交流滤波器
直流支撑电容
高压储能/脉冲电容
谐振电容
新闻中心
公司新闻
行业资讯
资质荣誉
销售网络
联系我们
产品系列分类
吸收电容
直流支撑电容
交流滤波器
高压储能/脉冲电容
谐振电容
当前位置:
首页
>
产品中心
>
方形箱式铝壳CSHA
>
<
>
产品名
ANWO CLD
技术性能
Specifications
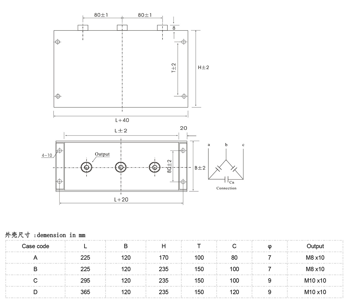
Outline drawing
PROTECTION AGAINST OVERVOLTAGES
常用规格技术参数 General Electrical data